Description
Caractéristiques Machine
| Force d’arrachement | 900 kg |
| Vitesse de déplacement | 3 km/h |
| Rotation | 360° |
| Poids à vide | 800 kgs |
| Poids en ordre de marche | 900 kgs |
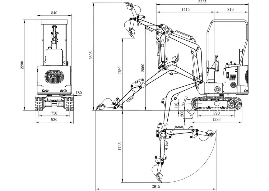
| Largeur de la machine | 94 cm |
| Hauteur machine | 2,20 m |
| Profondeur de creusée | 1.75 m |
Moteur
| Modèle de moteur | Briggs et Stratton 13.5cv |
| Type | Moteur essence Monocylindre refroidi par air |
| Démarrage | Électrique et manuel |
| Puissance nette | 10.5 kW |
| Cylindrée | 420cc |
| Volume du réservoir essence | 5 Litres |
| Volume carter huile moteur | 0.93 Litres |
| Consommation | 3.5 L/h – 3600 rpm (100% charge) |
| Batterie | 12V/20A |
Hydraulique
| Pompe | 1 pompe à engrenage |
| Marque | Générique – sans marque spé |
| Cylindrée pompe | 8 cc |
| Pression de service | 170 bar |
| Volume du réservoir hydraulique | 12.7 Litres |
| Débit | 20 L/min |
Option
| Toit | Fournis de série |
| Ligne auxiliaire | Fournis de série (hors raccord rapide) |
| Accessoires | Fournis de série : Godet 40 cm avec dents |
| Déport de bras | Noix orientable hydraulique |
Description
La Mini pelle RLD12 – Noix orientable est une machine compacte et polyvalente, conçue pour les travaux de terrassement, d’excavation et d’aménagement extérieur nécessitant précision et maniabilité. Elle convient parfaitement aux chantiers exigus, aux interventions le long de murs ou dans des zones où l’angle de travail est contraint.
Son principal atout réside dans sa noix orientable, qui permet d’orienter l’outil sans déplacer la machine. Cette fonctionnalité améliore considérablement la précision, le confort d’utilisation et le rendement, notamment lors des travaux de tranchées, de fondations légères ou de finition. Elle limite les manœuvres répétitives et optimise le temps passé sur chantier.
La mini-pelle RLD12 offre une prise en main simple et une grande souplesse d’utilisation. Elle est équipée d’une ligne hydraulique auxiliaire, permettant l’utilisation de nombreux accessoires tels que godets spécifiques, tarière ou BRH. Sa conception compacte facilite le transport et l’accès aux zones difficiles.
Très appréciée en travaux publics, en aménagement paysager, en rénovation extérieure ou pour les travaux de réseaux, la RLD12 avec noix orientable se distingue par sa polyvalence et sa précision. Fiable et fonctionnelle, elle constitue une solution efficace pour des travaux maîtrisés et professionnels au quotidien.

